Danh mục sản phẩm
Slider 01
Slider 02
Slider
Slider 03
Slider 01
Slider 02
Slider
Slider 03
Slider 01
Slider 02
Slider
Slider 03

Van an toàn cơ bắt bích model R25R35S4SN

Mã sản phẩm: PARKER
Giá thị trường:
Giá bán: Giá liên hệ
Thời gian:  
Khởi hành:  01/01/1900
Phương tiện:  
Địa điểm:  
Diện tích:  m2
Vị trí:  
  • Van tràn cơ (van an toàn cơ loại bắt bích) gồm các model:
  • Model R10R35S4SN
  • Model R25R35S4SN
Bạn đang chọn:
Tư vấn mua hàng 0989.257.507
Chia sẻ sản phẩm với bạn bè:
Chi tiết sản phẩm
Van an toàn cơ bắt bích model R25R35S4SN nhập khẩu trực tiếp từ Germany bởi Thủy lực An Huy. Sản phẩm thuộc dòng Van thủy lực của hãng Parker đạt tiêu chuẩn chất lượng cao được khách hàng tin dùng. Cam kết đầy đủ chứng nhận CO, CQ. Mua ngay Van áp suất điện tại Thủy lực An Huy qua hotline 0977282045 để được tư vấn nhanh nhất.

Van an toàn cơ bắt bích model R25R35S4SN chất lượng tốt

  • Xuất xứ: Thương hiệu Parker - Germany
  • HÀNG CÓ SẴN TẠI KHO
Van an toàn cơ bắt bích model R25R35S4SN

Van an toàn thủy lực là loại van dùng để xả nước ra khỏi hệ thống đường ống khi áp suất trong đường ống vượt giới hạn cài đặt. 

Ứng dụng của Van an toàn cơ bắt bích model R25R35S4SN

Van an toàn cơ dùng để bảo vệ bơm thủy lực khi quá tải, thường tích hợp trên hệ thống thủy lực. Van này thường thiết kế đi cùng với một van điện hoặc nếu thiết kế với nhiều van thì đóng vai trò xả tràn của hệ thống.
Dòng Van an toàn bắt bích của thương hiệu Parker được nhà phân phối Thủy lực An Huy độc quyền tại Việt Nam. Cam kết đầy đủ chứng nhận CO, CQ chứng minh nguồn gốc xuất xứ rõ ràng.

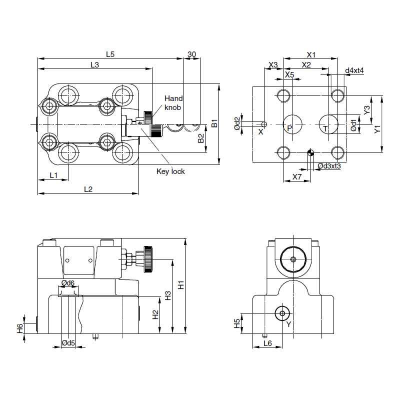
Bản vẽ kích thước Van an toàn cơ bắt bích model R25R35S4SN

Van tràn cơ (van an toàn cơ loại bắt bích) model R10R35S4SN

Xem thêm: Bơm xe ép rác chính hãng giá tốt

Địa chỉ phân phối Van an toàn cơ bắt bích model R25R35S4SN giá tốt- Thủy lực AN HUY


Công ty cổ phần tự động hóa An Huy là nhà phân phối độc quyền các dòng sản phẩm của hãng tại Việt Nam. Chúng tôi cam kết các sản phẩm được nhập khẩu chính hãng. Sản phẩm được nhập khẩu với số lượng lớn. Ngoài ra công ty còn đầu tư xây dựng xưởng sản xuất tại Lô 35, cụm công nghiệp Lại Yên, Hoài Đức, Hà Nội
  • Nguồn gốc rõ ràng, check hàng khi được nhận và hoàn trả nếu phát hiện sản phẩm không đạt chất lượng.
  • Giá cả rẻ nhất thị trường, giao hàng nhanh thiết bị thủy lực  trên toàn phạm vi toàn quốc
  • Chế độ bảo hành, sửa chữa, vận chuyển nhanh chóng, tiện lợi trên phạm vi toàn quốc.

CÔNG TY CỔ PHẦN TỰ ĐỘNG HÓA AN HUY
——————————————————————————
Địa chỉ : 91 Đê La Thành, Ô Chợ Dừa, Đống Đa, Hà Nội
Điện thoại: 0977282045 – 0989257507
Email: anhuyhydraulic@gmail.com
——————————————————————————
Xem thêm: Bộ nguồn thủy lực mini giá tốt

Thông số sản phẩm
Ý kiến đánh giá
Bình luận
Giao hàng hỏa tốc trong 1 giờ
Giao hàng hỏa tốc trong 1 giờ
Thanh toán linh hoạt: tiền mặt, visa
Thanh toán linh hoạt: tiền mặt, visa
Lỗi đổi tại nhà trong 1 ngày
Lỗi đổi tại nhà trong 1 ngày
Hỗ trợ quý khách hàng suốt thời gian sử dụng
Hỗ trợ quý khách hàng suốt thời gian sử dụng. Hotline 0989.257.507
Hotline
0989.257.507
Zalo
0989.257.507
Viber
0989.257.507