


.png)
Slider 01
Slider 02
Slider
Slider 03
Slider 01
Slider 02
Slider
Slider 03
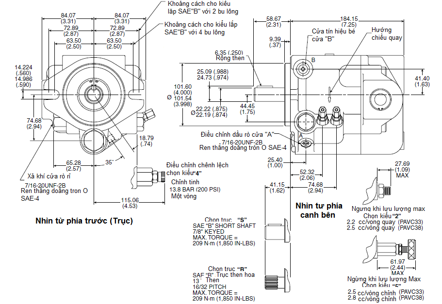
Bơm piston Parker điều chỉnh được lưu lượng PAVC 33/38 sử dụng cho hệ thống dây chuyền máy móc công nghiệp và trong giao thông vận tải. Điều chỉnh lưu lượng phù hợp với mục đích sử dụng. Thủy lực An Huy cung cấp chi tiết các thông số, cấu tạo, quy trình vận hành mang đến cho khách hàng cái nhìn tổng quan nhất! Liên hệ Hotline để được tư vấn 24/7!
Tham khảo sản phẩm rõ hơn ở Link sau: http://bomthuylucparker.anhuyautomatic.vn/
Hình ảnh thực tế Thủy lực An Huy lắp đặt Bơm Piston PAVC tại nhà máy thép Việt Trung
.png)
.jpg)
Thủy lực An Huy tự hào là nhà phân phối các sản phẩm bơm thuỷ lực, van thuỷ lực của Nachi tại Việt Nam. Chúng tôi có đội ngũ kỹ thuật tư vấn miễn phí, thiết kế hệ thống thuỷ lực theo yêu cầu khách hàng.
Quý khách có nhu cầu tư vấn hãy liên hệ ngay với chúng tôi!
CÔNG TY CỔ PHẦN TỰ ĐỘNG HÓA AN HUY
——————————————————————————-
Địa chỉ : 91 Đê La Thành, Ô Chợ Dừa, Đống Đa, Hà Nội
Điện thoại: 0977282045 – 0989257507
Email: anhuyhydraulic@gmail.com
——————————————————————————-
Bạn đã có tài khoản? Đăng nhập