Danh mục sản phẩm
Slider 01
Slider 02
Slider
Slider 03
Slider 01
Slider 02
Slider
Slider 03
Slider 01
Slider 02
Slider
Slider 03

Bơm bánh răng PGP511A0310CL6H2ND6D5B1B1 Part number 3349111544 Parker

Mã sản phẩm: Parker
Giá thị trường:
Giá bán: Giá liên hệ
Thời gian:  
Khởi hành:  01/01/1900
Phương tiện:  
Địa điểm:  
Diện tích:  m2
Vị trí:  
Bạn đang chọn:
Tư vấn mua hàng 0989.257.507
Chia sẻ sản phẩm với bạn bè:
Chi tiết sản phẩm
Bơm bánh răng PGP511A0310CL6H2ND6D5B1B1 Part number 3349111544 Parker được sản xuất dưới công nghệ hiện đại, đáp ứng đầy đủ các thông số kỹ thuật, là giải pháp tiết kiệm chi phí hiệu quả cho các doanh nghiệp. Để biết thêm thông tin chi tiết, liên hệ hotline 0977.282.045 để được tư vấn.

Bơm bánh răng PGP511A0310CL6H2ND6D5B1B1 Part number 3349111544 Parker

  • Xuất xứ: Parker - USA
  • Lưu lượng: 31 cc/rev
  • Áp suất vận hành tối đa: 250 bar
  • Tốc độ vòng quay: 500-  3500
bom-banh-rang-pgp511a0310cl6h2nd6d5b1b1-part-number-3349111544-parker
 
bom-banh-rang-pgp511a0310cl6h2nd6d5b1b1-part-number-3349111544-parker
 
bom-banh-rang-pgp511a0310cl6h2nd6d5b1b1-part-number-3349111544-parker

Xem thêm: Bơm bánh răng vỏ nhôm Parker PGP517A0520CD1K6NE8E6B1B1

Mã đặt hàng bơm bánh răng PGP511A0310CL6H2ND6D5B1B1 Part number 3349111544 Parker

bom-banh-rang-pgp511a0310cl6h2nd6d5b1b1-part-number-3349111544-parker
 
bom-banh-rang-pgp511a0310cl6h2nd6d5b1b1-part-number-3349111544-parker

 

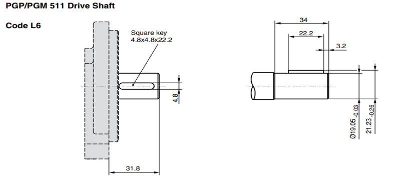
Kích thước lắp đặt bơm bánh răng PGP511A0310CL6H2ND6D5B1B1 Part number 3349111544 Parker
 

bom-banh-rang-pgp511a0310cl6h2nd6d5b1b1-part-number-3349111544-parker
 
bom-banh-rang-pgp511a0310cl6h2nd6d5b1b1-part-number-3349111544-parker
 
bom-banh-rang-pgp511a0310cl6h2nd6d5b1b1-part-number-3349111544-parker

 

Ứng dụng của bơm bánh răng PGP511A0310CL6H2ND6D5B1B1 Part number 3349111544 Parker

Bơm bánh răng vỏ nhôm của Parker ứng dụng dùng cho: Xe khoan, xe cẩu tự hành, xe ép rác, bộ nguồn thủy lực của máy ép thủy lực hoặc bộ nguồn cấp dầu cho xi lanh.

bom-banh-rang-pgp511a0310cl6h2nd6d5b1b1-part-number-3349111544-parker

 

Địa chỉ phân phối bơm bánh răng PGP511A0310CL6H2ND6D5B1B1 Part number 3349111544 Parker chính hãng

 
Bơm bánh răng vỏ nhôm PGP511A0310CL6H2ND6D5B1B1 Part number 3349111544 Parker được phân phối tại Thủy Lực An Huy trên thị trường Việt. Với nhiều năm kinh nghiệm cùng đội ngũ nhân viên giàu kinh nghiệm, Thủy Lực An Huy chắc chắn sẽ đem đến cho khách hàng những sản phẩm, giải pháp tốt nhất. Cam kết hàng chính hãng 100%, có chứng nhận CO - CQ, hỗ trợ vận chuyển trên toàn quốc, bảo hành theo đúng chế độ. Liên sớm ngay hôm nay qua hotline 0977.282.045 để được tư vấn và nhận bảng giá tốt nhất thị trường.

CÔNG TY CỔ PHẦN TỰ ĐỘNG HÓA AN HUY
——————————————————————————
Địa chỉ : 91 Đê La Thành, Ô Chợ Dừa, Đống Đa, Hà Nội
Điện thoại: 0977282045 – 0989257507
Email: anhuyhydraulic@gmail.com
——————————————————————————

Xem thêm: Bơm bánh răng 2 tầng PGP365*478EFAB15-7**AB15-1
 
Thông số sản phẩm
Ý kiến đánh giá
Bình luận
Sản phẩm đã xem
Bơm piston hướng trục đĩa nghiêng dòng PVPLUS
Giá liên hệ
Bơm piston hướng trục đĩa nghiêng dòng PVPLUS thuộc dòng bơm Piston Parker được khách hàng đánh giá cao về chất lượng và hiệu suất làm việc. Các dòng sản phẩm Bơm Piston Parker: F1, F2, PVAC, PV, P1D,... được Thủy lực An Huy là đơn vị phân phối độc quyền chính hãng của Parker tại Việt Nam, mang đến cho khách hàng với giá cả cạnh tranh nhất thị trường. Liên hệ trực tiếp để nhận bảng giá và chính sách ưu đãi hấp dẫn!
Giao hàng hỏa tốc trong 1 giờ
Giao hàng hỏa tốc trong 1 giờ
Thanh toán linh hoạt: tiền mặt, visa
Thanh toán linh hoạt: tiền mặt, visa
Lỗi đổi tại nhà trong 1 ngày
Lỗi đổi tại nhà trong 1 ngày
Hỗ trợ quý khách hàng suốt thời gian sử dụng
Hỗ trợ quý khách hàng suốt thời gian sử dụng. Hotline 0989.257.507
Hotline
0989.257.507
Zalo
0989.257.507
Viber
0989.257.507