Danh mục sản phẩm
Slider 01
Slider 02
Slider
Slider 03
Slider 01
Slider 02
Slider
Slider 03
Slider 01
Slider 02
Slider
Slider 03

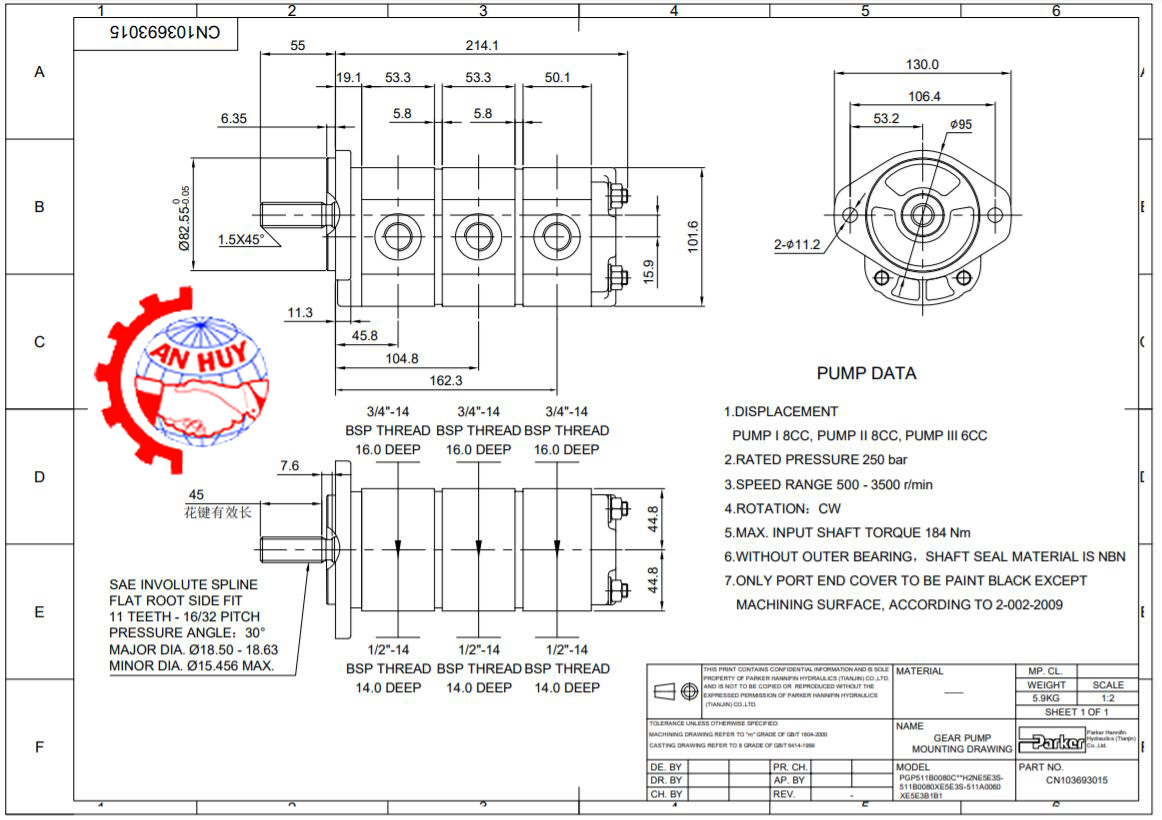
Bơm bánh răng 3 tầng CN103693015-8x8x6cc

Mã sản phẩm: PARKER
Giá thị trường:
Giá bán: Giá liên hệ
Thời gian:  
Khởi hành:  01/01/1900
Phương tiện:  
Địa điểm:  
Diện tích:  m2
Vị trí:  
  • HÀNG CÓ SẴN
  • Lưu lượng: 8 x 8 x 6cc
  • Trục tròn 19.05mm, dài 48mm
  • Áp suất max: 250 bar
  • Đường hút ren 3/4, đẩy 1/2
Bạn đang chọn:
Tư vấn mua hàng 0989.257.507
Chia sẻ sản phẩm với bạn bè:
Chi tiết sản phẩm
Bơm bánh răng 3 tầng CN103693015 đạt tiêu chuẩn từ USA. Thủy lực An Huy chuyên phân phối chính hãng Bơm thủy lực của hãng tại thị trường Việt Nam. Cam kết bảo hành theo chế độ bảo hành của hãng. Khách hàng có nhu cầu mua liên hệ hotline 0977282045 để được tư vấn đặt hành.

Mô tả Bơm bánh răng 3 tầng CN103693015

  • Đạt tiêu chuẩn chất lượng Parker - USA / nhà máy sản xuất tại China
Bơm bánh răng 3 tầng Parker PGP511 có kết cấu vỏ nhôm nguyên khối bền chắc có loại trục 11 then dài 45mm. 
Bơm bánh răng model CN103693015 dùng cho máy xúc mini, máy xúc nhỏ 1.2 đến 3.5 tấn như các dòng máy xúc PC20, PC30, ZZX40, PC20U, PC30U, PC50U, SV08, MS01, MS02, DX55W,... phổ biến trên thị trường hiện nay.

Thông số kĩ thuật Bơm bánh răng 3 tầng CN103693015

  • Bơm 3 tầng: 8 x 8 x 6cc
  • Loại trục 11 then - Ø 18.7, dài 45mm
  • Áp suất max: 250 bar
  • Gờ định vị: 82.5mm
  • Tâm 2 lỗ bulong: 106.4mm
  • Đường hút ren 3/4'' - Đường đẩy ren 1/2''
Bản vẽ kích thước lắp đặt bơm bánh răng 3 tầng CN103693015

Đặc điểm Bơm bánh răng 3 tầng CN103693015

Bơm bánh răng 3 tầng CN103693015
 
Bơm bánh răng 3 tầng CN103693015
Bơm bánh răng 3 tầng CN103693015
Thủy lực An Huy chuyên cung cấp các thiết bị Bơm thủy lực bánh răng đến từ hãng Parker chất lượng tốt thay thế được cho các dòng Bơm thủy lực nhập khẩu nguồn gốc từ các thị trường như China, Taiwan, Korea, Thổ Nhĩ Kỳ đều không thể làm việc bền và lâu dài. Khỏi phải bàn về chất lượng các sản phẩm Bơm thủy lực hãng Parker luôn dẫn đầu thị trường, đứng top doanh số bán hàng hiện nay.

Các Model thông dụng dùng cho Bơm thủy lực máy xúc mini Thủy lực An Huy cung cấp

Nếu bạn đang sử dụng một số máy xúc nhỏ mini (Máy xúc nhỏ có dung tích gầu từ 0.15 - 0.3 m3 hoặc máy từ 1.2 - 3.5 tấn. Các hãng máy xúc phổ biến trên thị trường hiện nay như KOMATSU, HITACHI, KOBELCO, YANMAR, CATERPILLAR, DOOSAN đều là những hãng máy xuất hiện nhiều. Thủy lực An Huy chúng tôi cung cấp các Model đáp ứng được kỹ thuật tốt, phù hợp với nhiều loại máy.

SẴN KHO BƠM BÁNH RĂNG 2 TẦNG VÀ 3 TẦNG PARKER VỎ NHÔM LOẠI TRỤC 9 THEN, 10 THEN HOẶC 11 THEN PHỔ BIẾN NHẤT
STT Bơm bánh răng PGP511 Thông số
1 Bơm bánh răng PGP511 dùng cho máy xúc mini CN103693015 Bơm 3 tầng- trục11 then dài 45mm
2 Bơm bánh răng PGP511 dùng cho máy xúc mini CN103693016 Bơm 3 khoang trục tròn 19 dài 45mm
3 Bơm bánh răng PGP511 dùng cho máy xúc mini CN103692021 Bơm 2 khoang
4 Bơm bánh răng PGP511 dùng cho máy xúc mini CN103692023 Bơm 2 khoang 33-33cc trục tròn 19 
5 Bơm bánh răng PGP511 dùng cho máy xúc mini CN103692015 Bơm 2 khoang Trục 10 then
6 Bơm bánh răng PGP511 dùng cho máy xúc mini CL3349111480 Bơm 9 then quay phải bắt bích
7 Bơm bánh răng PGP511 dùng cho máy xúc mini CN103691026 Trục tròn 15.8mm
8 Bơm bánh răng PGP511 dùng cho máy xúc mini CN103692018  Bơm 2 Tầng - trục 10  then
9 Bơm bánh răng PGP511 dùng cho máy xúc mini CN103692011 Bơm 2 Tầng - trục 10  then
10 Bơm bánh răng PGP511 dùng cho máy xúc mini CN103693012 Bơm 3 tầng 10 then dài 45mm
11 Bơm bánh răng PGP511 dùng cho máy xúc mini CN103692023 Bơm 2 Tầng  trục tròn lỗ vào ra bắt bích
12 Bơm bánh răng PGP511 dùng cho máy xúc mini CN103692019 Bơm 2 Tầng - trục 10  then
13 Bơm bánh răng PGP511 dùng cho máy xúc mini CN103692013 Bơm 3 tầng 10 then đường vào ra bắt ren
14 Bơm bánh răng PGP511 dùng cho máy xúc mini CN103693014 Bơm 3 tầng  trục 11 then dài 45mm
15 Bơm bánh răng PGP511 dùng cho máy xúc mini CN103693013 Bơm 3 tầng  trục 11 then dài 45mm
16 Bơm bánh răng PGP511 dùng cho máy xúc mini CN103693009 Bơm 3 tầng  trục 10 then  dài 45mm
17 Bơm bánh răng PGP511 dùng cho máy xúc mini CN103693011 Bơm 3 tầng  trục 10 then dài 45mm

Còn các loại trục khác 12 then, 15 then hoặc trục côn Công ty AN HUY cũng có thể cung cấp. Khách hàng có nhu cầu đặt mua sẽ trao đổi cụ thể trong quá đặt hàng.
Khi mua hàng Quý khách hàng vui lòng gửi cho chúng tôi hình ảnh bơm Quý khách cần mua và nêu rõ dùng cho máy gì? Mã model của máy? Kiểu trục loại bao nhiêu then? để chúng tôi có thể tư vấn cho bạn chính xác và nhanh chóng nhất.

Đại lý phân phối Bơm bánh răng 3 tầng CN103693015 - Thủy lực AN HUY


Công ty cổ phần tự động hóa An Huy là nhà phân phối độc quyền các dòng sản phẩm của hãng tại Việt Nam. Chúng tôi cam kết các sản phẩm được nhập khẩu chính hãng. Sản phẩm được nhập khẩu với số lượng lớn. Ngoài ra công ty còn đầu tư xây dựng xưởng sản xuất tại Lô 35, cụm công nghiệp Lại Yên, Hoài Đức, Hà Nội
  • Nguồn gốc rõ ràng, check hàng khi được nhận và hoàn trả nếu phát hiện sản phẩm không đạt chất lượng.
  • Giá cả tốt nhất thị trường, giao hàng nhanh trên toàn phạm vi toàn quốc
  • Chế độ bảo hành, sửa chữa nhanh chóng, tiện lợi trên phạm vi toàn quốc.

CÔNG TY CỔ PHẦN TỰ ĐỘNG HÓA AN HUY
——————————————————————————
Địa chỉ : 91 Đê La Thành, Ô Chợ Dừa, Đống Đa, Hà Nội
Điện thoại: 0977282045 – 0989257507
Email: anhuyhydraulic@gmail.com
——————————————————————————

Xem thêm: Mua Bơm thủy lực Parker chính hãng tại Thủy lực An Huy
Thông số sản phẩm
Ý kiến đánh giá
Bình luận
Giao hàng hỏa tốc trong 1 giờ
Giao hàng hỏa tốc trong 1 giờ
Thanh toán linh hoạt: tiền mặt, visa
Thanh toán linh hoạt: tiền mặt, visa
Lỗi đổi tại nhà trong 1 ngày
Lỗi đổi tại nhà trong 1 ngày
Hỗ trợ quý khách hàng suốt thời gian sử dụng
Hỗ trợ quý khách hàng suốt thời gian sử dụng. Hotline 0989.257.507
Hotline
0989.257.507
Zalo
0989.257.507
Viber
0989.257.507