Danh mục sản phẩm
Slider 01
Slider 02
Slider
Slider 03
Slider 01
Slider 02
Slider
Slider 03
Slider 01
Slider 02
Slider
Slider 03

Motor thủy lực Parker TB0195AW260AAAA

Mã sản phẩm: Parker
Giá thị trường:
Giá bán: Giá liên hệ
Thời gian:  
Khởi hành:  01/01/1900
Phương tiện:  
Địa điểm:  
Diện tích:  m2
Vị trí:  
Bạn đang chọn:
Tư vấn mua hàng 0989.257.507
Chia sẻ sản phẩm với bạn bè:
Chi tiết sản phẩm

Motor thủy lực Parker TB0195AW260AAAA với nhiều tính năng nổi bật, hiệu quả làm việc cao do vậy được nhiều người lựa chọn. Để biết thêm thông tin chi tiết vui lòng liên hệ hotline 0977.282.045 để được tư vấn.

Motor thủy lực Parker TB0195AW260AAAA chính hãng

  • Xuất xứ: Parker - USA
  • Lưu lượng: 195 cc/rev
  • Áp suất vận hành tối đa: 190 bar
  • Tốc độ vòng quay tối đa 287 rev/min
  • Momen cực đại 400 Nm
  • Trục Ø25mm cavet 8
motor-thuy-luc-parker-tb0195aw260aaaa
 
motor-thuy-luc-parker-tb0195aw260aaaa

Xem thêm: Motor thủy lực Parker TB0165AW260AAAA

Mã đặt hàng motor thủy lực ParkerTB0195AW260AAAA

motor-thuy-luc-parker-tb0195aw260aaaa
 
motor-thuy-luc-parker-tb0195aw260aaaa

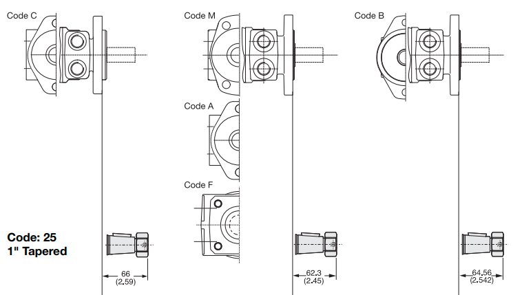
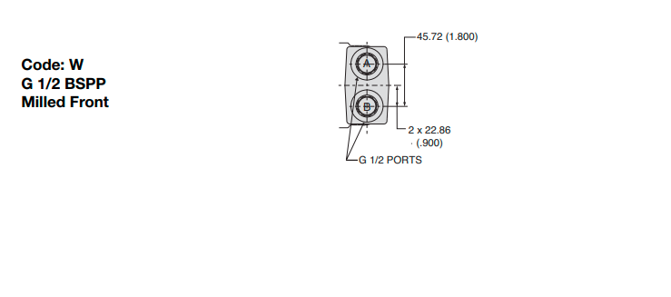
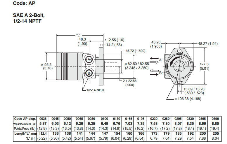
Kích thước lắp đặt motor thủy lực Parker TB0195AW260AAAA

motor-thuy-luc-parker-tb0195aw260aaaa
 
motor-thuy-luc-parker-tb0195aw260aaaa
 
motor-thuy-luc-parker-tb0195aw260aaaa
 
motor-thuy-luc-parker-tb0195aw260aaaa
motor-thuy-luc-parker-tb0195aw260aaaa

Địa chỉ cung cấp motor thủy lực Parker TB0195AW260AAAA chính hãng trên toàn quốc


Motor thủy lực Parker TB0195AW260AAAA được phân phối tại Thủy Lực An Huy - đơn vị đại diện cung cấp các sản phẩm của thương hiệu Parker tại Việt Nam. Sản phẩm chính hãng 100%, có chứng nhận CO - CQ, chính sách bảo hành đúng theo quy định, đội ngũ kỹ thuật viên giàu kinh nghiệm sẽ tư vấn tận tình. Liên hệ ngay hôm nay qua hotline 0977.282.045 để được tư vấn chi tiết và nhận bảng giá tốt nhất thị trường.

CÔNG TY CỔ PHẦN TỰ ĐỘNG HÓA AN HUY
——————————————————————————
Địa chỉ : 91 Đê La Thành, Ô Chợ Dừa, Đống Đa, Hà Nội
Điện thoại: 0977282045 – 0989257507
Email: anhuyhydraulic@gmail.com
——————————————————————————
Xem thêm: Motor Parker TB0330AW100AAAA
Thông số sản phẩm
Ý kiến đánh giá
Bình luận
Sản phẩm đã xem
Giao hàng hỏa tốc trong 1 giờ
Giao hàng hỏa tốc trong 1 giờ
Thanh toán linh hoạt: tiền mặt, visa
Thanh toán linh hoạt: tiền mặt, visa
Lỗi đổi tại nhà trong 1 ngày
Lỗi đổi tại nhà trong 1 ngày
Hỗ trợ quý khách hàng suốt thời gian sử dụng
Hỗ trợ quý khách hàng suốt thời gian sử dụng. Hotline 0989.257.507
Hotline
0989.257.507
Zalo
0989.257.507
Viber
0989.257.507