Mô tả chi tiết về sản phẩm Bơm thủy lực Piston PV140
Bơm thủy lực Piston PV140 xuất xứ từ thương hiệu Parker–một hãng sản xuất các sản phẩm thủy lực nổi tiếng đến từ Mỹ. Với 100 năm hình thành và phát triển (1918-2019), Parker Hannifin trở thành một trong những nhà cung cấp thủy lực lớn nhất thế giới với doanh thu hàng năm lên đến hàng tỷ đô la Mỹ. Sản phẩm Parker được người tiêu dùng đánh giá chất lượng và đẳng cấp.
Các sản phẩm Parker được nhập khẩu và phân phối chính thức bởi Parker Việt Nam . Với hơn 12 năm kinh nghiệm trong ngành tự động hóa chúng tôi tin chắc rằng có thể đem đến sự phục vụ tốt nhất cho khách hàng.
Bơm thủy lực Piston PV140 giá tốt, lượng đảm bảo
Dòng máy bơm thủy lực của Parker có tốc độ tự mồi cao và hiệu quả cao và là một trong những máy bơm xe tải hàng đầu trên thị trường được khách hàng tin sử dụng rộng rãi.
THÔNG SỐ KỸ THUẬT
- Bơm Piston thay đổi được lưu lượng
- Lưu lượng riêng 16, 23, 32, 46, 63, 76, 92, 140, 180, 270 cc/rev Rated At 350 Bar/ Continuous
- Áp suất max 420 Bar
- Hiệu suất làm việc cao 98%
- Số vòng quay 300 - 1800 RPM
- 11 Control options
- Độ ồn thấp
- Kiểu lắp đặt ; Bắt bích
Tham khảo sản phẩm rõ hơn ở Link sau:
http://bomthuylucparker.anhuyautomatic.vn/
MÃ ĐẶT HÀNG


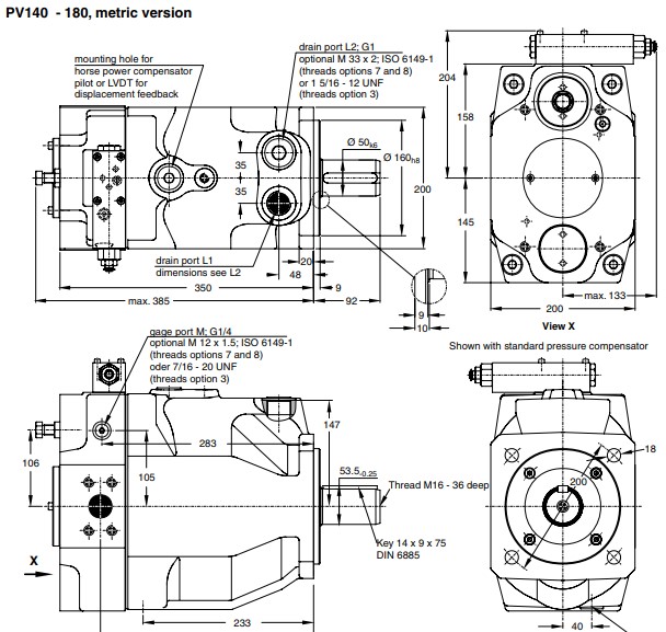
KÍCH THƯỚC LẮP ĐẶT
Phạm vi ứng dụng
- Trong các nhà máy sản xuất xi măng (Hệ thống đẩy sàn ghi lạnh, trạm nghiền)
- Nhà máy sản xuất thép ( Hệ thống nghiêng lò, hệ thống nắn phôi, máy cán…)
- Nhà máy giấy (Hệ thống nâng quả lô kéo căng, đóng kiện)
- Trong nhà máy thủy điện (Hệ thống đóng mở cửa nước, Hệ thồng điều tốc)…. Nơi yêu cầu áp suất làm việc liên tục ổn định, tuổi thọ cao, độ tin cầy làm việc cao.
Lý do nên sử dụng sản phẩm Bơm thủy lực Piston PV140 của Parker Việt Nam ?
- Chúng tôi là đại diện chính hãng và duy nhất tại Hà Nội
- Được Parker lựa chọn là nhà phân phối chiến lược cho đến năm 2025
- Nhiều mặt hàng có sẵn tại kho của công ty
- Có dịch vụ sửa chữa, tư vấn khắc phục nhanh nhất sau 48 giờ.
- Có thể chuyển đổi từ các hãng khác như Rexroth, Danieli sang hãng Parker.
Địa chỉ:
- CS1: 91 Đê La Thành, Ô Chợ Dừa, Đống Đa, Hà Nội
- CS2: Số 4, ngõ 110 Trần Duy Hưng, Trung Hòa, Cầu Giấy, Hà Nội.
Phone: 02435132848
Fax: 024.3513.2858
Hotline: 0989257507
Xem thêm: Bơm thủy lực piston Parker ứng dụng trong loại máy công trình